Product Summary
-
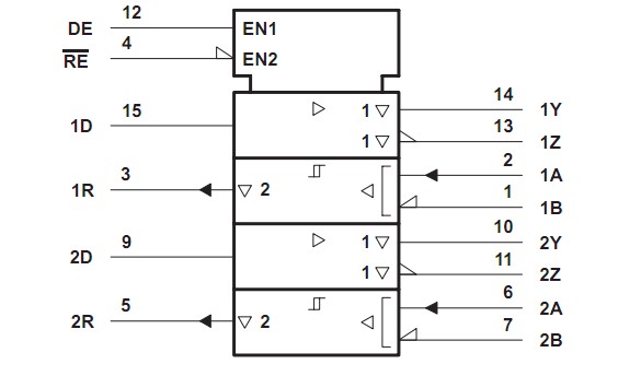
The SN751177NSR is a DUAL DIFFERENTIAL DRIVER AND RECEIVER. The SN751177NSR receivers are monolithic integrated circuits that are designed for balanced multipoint bus transmission at rates up to 10 Mbit/s. The SN751177NSR is designed to improve the performance of full-duplex data communications over long bus lines and meet ANSI Standards TIA/EIA-422-B and TIA/EIA-485-A and ITU Recommendations V.10 and V.11. The SN751177NSR provides limiting for both positive and negative currents and thermal-shutdown protection from line-fault conditions on the transmission bus line.
Parametrics
SN751177NSR absolute maximum ratings: (1)Supply voltage, VCC (see Note 1): 7 V; (2)Input voltage, VI (DE, RE, and D inputs): 7 V; (3)Receiver input voltage range, VI (A or B inputs): –25 V to 25 V; (4)Receiver differential input voltage range, VID (see Note 2): –25 V to 25 V; (5)Driver output voltage range, VO: –10 V to 15 V; (6)Receiver low-level output current, IOL: 50 mA; (7)Package thermal impedance, θJA (see Note 3): N package 78 ℃/W; (8)Storage temperature range, Tstg: –65 to 150 ℃; (9)Lead temperature 1,6 mm (1/16 inch) from case for 10 seconds: 260 ℃.
Features
SN751177NSR features: (1)Meet or Exceed the Requirements of ANSI Standards TIA/EIA-422-B and TIA/EIA-485-A and ITU Recommendations V.10 and V.11; (2)Designed for Multipoint Bus Transmission on Long Bus Lines in Noise Environments; (3)Driver Positive- and Negative-Current Limiting; (4)Thermal Shutdown Protection; (5)Driver 3-State Outputs; (6)Receiver Common-Mode Input Voltage Range of –12 V to 12 V; (7)Receiver Input Sensitivity: ±200 mV; (8)Receiver Hysteresis: 50 mV Typ; (9)Receiver Input Impedance: 12kΩ Min; (10)Receiver 3-State Outputs; (11)Operate From Single 5-V Supply.
Diagrams

| Image | Part No | Mfg | Description | ![]() |
Pricing (USD) |
Quantity | ||||||||||||
|---|---|---|---|---|---|---|---|---|---|---|---|---|---|---|---|---|---|---|
![]() |
![]() SN751177NSR |
![]() Texas Instruments |
![]() Bus Transceivers Diff |
![]() Data Sheet |
![]()
|
|
||||||||||||
![]() |
![]() SN751177NSRE4 |
![]() Texas Instruments |
![]() Bus Transceivers Dual Diff Pairs Driver/Receiver |
![]() Data Sheet |
![]()
|
|
||||||||||||
![]() |
![]() SN751177NSRG4 |
![]() Texas Instruments |
![]() Bus Transceivers Dual Differential Driver Receiver Pair |
![]() Data Sheet |
![]()
|
|
||||||||||||
(China (Mainland))










